軟硬結合板工程師面試真題,你get了嗎?
深聯電路軟硬結合板廠整理了有關軟硬結合板工程師面試常見真題,希望可以為您的學習和知識累積提供一些幫助~
1、基本放大電路的種類及優缺點,廣泛采用差分結構的原因
基本放大電路按其接法分為共基、共射、共集放大電路。
共射放大電路既能放大電流又能放大電壓,輸入電阻在三種電路中居中,輸出電阻較大,頻帶較窄。
共基放大電路只能放大電壓不能放大電流,輸入電阻小,電壓放大倍數和輸出電阻與共射放大電路相當,頻率特性是三種接法中最好的電路。常用于寬頻帶放大電路。
共集放大電路只能放大電流不能放大電壓,是三種接法中輸入電阻最大、輸出電阻最小的電路,并具有電壓跟隨的特點。常用于電壓大電路的輸入級和輸出級,在功率放大電路中也常采用射極輸出的形式。
廣泛采用差分結構的原因是差分結構可以抑制溫度漂移現象。
2、給出一差分電路,已知其輸出電壓 Y+和 Y-,求共模分量和差模分量
設共模分量是 Yc,差模分量是 Yd,則可知其輸出:
Y+=Yc+Yd Y-=Yc-Yd 可得:
Yc=(Y+ + Y-)/2
Yd=(Y+ - Y-)/2
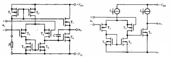
3、畫出一個晶體管級的運放電路 ,說明原理

圖 (a)給出了單極性集成運放 C14573 的電路原理圖,圖 (b)為其放大電路部分:
圖(a)中 T1,T2 和T7管構成多路電流源,為放大電路提供靜態偏置電流, 把偏置電路簡化后,就可得到圖 (b)所示的放大電路部分。
第一級是以 P 溝道管T3和T4為放大管、以 N 溝道管T5和T6管構成的電流源為有源負載,采用共源形式的雙端輸入、單端輸出差分放大電路。由于第二級電路從T8 的柵極輸入,其輸入電阻非常大,所以使第一級具有很強的電壓放大能力。
第二級是共源放大電路,以 N溝道管T8為放大管,漏極帶有源負載,因此也具有很強的電壓放大能力。但其輸出電阻很大,因而帶負載能力較差。電容C起相位補償作用。
4、電阻R和電容C串聯,輸入電壓為R和C之間的電壓,輸出電壓分別為C上電壓和R上電壓,求這兩種電路輸出電壓的頻譜,判斷這兩種電路何為高通濾波器,何為低通濾波器。當 RC<<T 時,給出輸入電壓波形圖,繪制兩種電路的輸出波形圖
當輸出電壓為 C上電壓時:
電路的頻率響應為:

當輸出電壓為 R上電壓時:
電路的頻率響應為:

從電路的頻率響應不難看出輸出電壓加在 C上的為低通濾波器,輸出電壓加在 R上的為高通濾波器,RC<<T 說明信號的頻率遠遠小于濾波器的中心頻率,所以對于第二個電路基本上無輸出,第一個電路的輸出波形與輸入波形基本相同。
5、選擇電阻時要考慮什么?
主要考慮電阻的封裝、功率、精度、阻值和耐壓值等。
6、深聯電路軟硬結合板廠提問,在CMOS電路中,要有一個單管作為開關管精確傳遞模擬低電平,這個單管你會用 P管還是N管,為什么?
答:用 N 管。N 管傳遞低電平, P 管傳遞高電平。N 管的閾值電壓為正, P 管的閾值電壓為負。在 N 管柵極加 VDD,在漏極加VDD,那么源級的輸出電壓范圍為 0到VDD-Vth ,因為 N 管的導通條件是 Vgs>Vth,當輸出到達 VDD-Vth 時管子已經關斷了。
所以當柵壓為 VDD時,源級的最高輸出電壓只能為 VDD-Vth。這叫閾值損失。N 管的輸出要比柵壓損失一個閾值電壓。因此不宜用 N 管傳輸高電平。P 管的輸出也會比柵壓損失一個閾值。同理柵壓為 0時,P 管源級的輸出電壓范圍為 VDD到|Vth |,因此不宜用P管傳遞低電平。
7、畫電流偏置的產生電路,并解釋。
基本的偏置電流產生電路包括鏡像電流源、比例電流源和微電流源三種。
下面以鏡像電流源電路為例進行說明:

ps:部分圖片來源于網絡,如有侵權,請聯系我們刪除
最新產品
通訊手機HDI
-

-
型號:GHS08K03479A0
階數:8層二階
板材:EM825
板厚:0.8mm
尺寸:144.08mm*101mm
最小線寬:0.075mm
最小線距:0.075mm
最小孔徑:0.1mm
表面處理:沉金+OSP
通訊手機HDI
-

-
型號:GHS06C03294A0
階數:6層二階
板材:EM825
板厚:1.0mm
尺寸:92mm*118mm
最小線寬:0.075mm
最小線距:0.075mm
最小孔徑:0.1mm
表面處理:沉金
通訊模塊HDI
-

-
型號:GHS04K03404A0
階數:4層一階+半孔
板材:EM825
板厚:0.6mm
尺寸:94.00*59.59mm
最小線寬:0.076mm
最小線距:0.076mm
最小孔徑:0.1mm
表面處理:沉金+OSP
5G模塊PCB
P1.5顯示屏HDI
-

-
型號:GHS04C03605A0
層數:4層一階
所用板材:EM825
板厚:1.6mm
尺寸:24mm*116mm
最小盲孔:0.1mm
最小埋孔:0.2mm
最小線寬:0.13mm
最小線距:0.097mm
表面處理:沉金
外形公差:+0.05/-0.15mm(板內無定位孔)
特殊要求:燈窩間距:P1.5
P2.571顯示屏HDI
-

-
型號:GHS04C03429A0
階層:4層一階
板材:EM825
板厚:1.6mm
尺寸:215.85mm*287.85mm
最小盲孔:0.1mm
最小埋孔:0.2mm
最小線寬:0.152mm
最小線距:0.152mm
表面處理:沉金
外形公差:+/-0.15mm(板內無定位孔)
特殊要求:控深鉆帽子電鍍間距:P2.571
P1.9顯示屏HDI
-

-
型號:GHM08C03113A0
階層:8層一階
板材:EM825
板厚:1.6mm
尺寸:239.9mm*239.9mm
最小盲孔:0.1mm
最小埋孔:0.2mm
最小線寬:0.127mm
最小線距:0.127mm
表面處理:沉金
外形公差:+0.05/-0.15mm(板內無定位孔)
特殊要求:控深鉆間距:P1.9
P1.923顯示屏HDI
同類文章排行
- 2017年度中國電子電路板PCB百強企業排行榜
- 2017全球PCB制造企業百強排行榜
- 2014年線路板廠綜合排名——你必須知道!
- 世界頂級電路板廠商排行榜
- HDI廠之2015全球百大PCB企業榜單出爐,中國大陸PCB企業占34家!
- HDI PCB的應用及其優勢
- 看4G與5G基站電路板需求對比
- 實拍贛州深聯線路板廠生產車間,PCB全流程驚艷你的視野
- 2018年電路板行業原材料漲價潮又要開始了
- 電路板廠教你快速識別PCB綠色產品標識
最新資訊文章
- HDI 板行業趨勢洞察:未來之路在何方?
- 一個卓越的電路板廠需要具備哪些關鍵條件?
- PCB 廠憑啥能成為電子產業的 “幕后英雄” ?
- 未來 PCB 將迎來哪些顛覆性突破?
- 綠色環保趨勢下,汽車軟硬結合板材料如何革新?
- PCB 行業未來十年,將迎來哪些顛覆性變革?
- 智能化浪潮下,汽車軟硬結合板如何賦能智能駕駛?
- 未來電路板會在物聯網應用中有何新突破?
- 軟硬結合板憑什么在汽車電子中備受青睞?
- 手機無線充線路板的未來發展方向在哪?






共-條評論【我要評論】